1-phase, 2-channel relay with two integrated precise power meters that allow customers to control and monitor the consumption for each channel separately. Suitable for roller shutter automation.

Shelly Pro 2PM v.1 is a modification of Shelly Pro 2PM (SPSW-002PE16EU)
Shelly Pro 2PM v.0 is now obsolete and out of sale.
Differences with Shelly Pro 2PM v.0 are marked by the ≠ symbol in the text below.
Main changes:
Power supply: no more 12 VDC option.
Connectors: 3-terminal connectors are replaced by 2-terminal ones.
PCBs: relay 2-layer PCBs are replaced by 4-layer ones for better thermal performance.
LAN: improved high voltage electrical distances.
Plastics shell: improved dielectric performance.
Device name: Shelly Pro 2PM v.1
Device model: SPSW-202PE16EU
Device SSID: ShellyPro2PM-XXXXXX
Shelly Pro 2PM is a DIN rail mountable 2-channel smart switch with power measurement capabilities. Enhanced with all the gen2 firmware flexibility and LAN connectivity, it provides professional integrators with many more options for end customer solutions. It can work standalone in a local Wi-Fi network or it can also be operated through cloud home automation services.
Shelly Pro 2PM can be accessed, controlled and monitored remotely from any place where the User has internet connectivity, as long as the device is connected to a Wi-Fi router and the Internet.
Shelly Pro 2PM has an embedded Web Interface which can be used to monitor and control the device, as well as adjust its settings.
Residential
MDU (Multi Dwelling Units - apartments, condominiums, hotels, etc.)
Light commercial (small office buildings, small retail/restaurant/gas station, etc.)
Government/municipal
University/college
Alexa
Samsung SmartThings

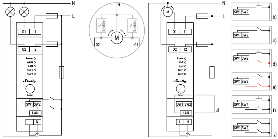
2 switch/button inputs on screw terminals: SW1 and SW2
2 power supply inputs on screw terminals: 1 N and 1 L
2 relay inputs: I1, I2
2 relay outputs: O1, O2
1 RJ45 connector
⚠CAUTION! Plug in or unplug the LAN cable only when the Device is powered off! The LAN cable connector must not be metallic in the parts touched by the user to plug in or unplug the cable.
Shelly proprietary serial interface

⚠CAUTION! High voltage on the add-on interface when the Device is powered!
Ethernet
Wi-Fi
Bluetooth
Overheating protection
Overvoltage protection
Overcurrent protection
Overpower protection
Resistive (incandescent bulbs, heating devices)
Capacitive (capacitor banks, electronic equipment, motor start capacitors)
Inductive with RC Snubber (LED light drivers, transformers, fans, refrigerators, air-conditioners)
One tactile dome button
Press and hold 5 sec to reboot.
Press and hold 10 sec to factory reset.
LED indication
Power (red): Red light indicator will be on if power supply is connected.
Wi-Fi (varies):
Blue light indicator will be on if in AP mode.
Red light indicator will be on if in STA mode and not connected to a Wi-Fi network.
Yellow light indicator will be on if in STA mode and connected to a Wi-Fi network. Not connected to Shelly Cloud or Shelly Cloud disabled.
Green light indicator will be on if in STA mode and connected to a Wi-Fi network and to the Shelly Cloud.
The light indicator will be flashing Red/Blue if OTA update is in progress.
LAN (green): Green light indicator will be on if LAN is connected.
Out 1 (red): Red light indicator will be on if the Output 1 relay is closed.
Out 2 (red): Red light indicator will be on if the Output 2 relay is closed.
Type | Value |
|---|---|
Physical | |
Size (HxWxD): | 94x19x69 ±0.5 mm / 3.70x0.75x2.71 ±0.02 in |
Weight: | |
Mounting: | DIN rail |
Screw terminals max torque: | 0.4 Nm / 3.54 lbin |
Conductor cross section: | 0.5 to 2.5 mm² / 20 to 14 AWG (green connectors) |
Conductor stripped length: | 6 to 7 mm / 0.24 to 0.28 in (green connector) |
Shell material: | Plastic |
Color: | Black |
Environmental | |
Ambient temperature: | -20 °C to 40 °C / -5 °F to 105 °F |
Humidity | 30 % to 70 % RH |
Max. altitude | 2000 m / 6562 ft |
Electrical | |
Power supply voltage AC: | 110 - 240 V |
Power supply voltage DC: | N/A |
Power consumption: | < 3 W |
Neutral not needed: | No |
Output circuits ratings | |
Max switching voltage AC: | 240 V |
Max switching voltage DC: | N/A |
Max switching current AC: | 16 A per channel, 25 A total |
Max switching current DC: | N/A |
Sensors, meters | |
Voltmeter (AC) | Yes |
Ammeter (AC) | Yes |
Internal-temperature sensor: | Yes |
Radio | |
RF band: | 2400 - 2495 MHz |
Max. RF power: | <20 dBm |
Wi-Fi protocol: | 802.11 b/g/n |
Wi-Fi Range: | Up to 30 m / 100 ft indoors and 50 m / 160 ft outdoors |
Bluetooth Protocol: | 4.2 |
Bluetooth Range: | Up to 10 m / 33 ft indoors and 30 m / 100 ft outdoors |
MCU | |
CPU: | ESP32-D0WDQ6 |
Flash: | 8 MB |
Firmware capabilities | |
Schedules: | 20 |
Webhooks (URL actions): | 20 with 5 URLs per hook |
Scripting: | Yes |
MQTT: | Yes |
CoAP: | No |

a) Detached mode
b) Single button mode
c) Single switch mode
d) Single button and safety switch mode
e) Single switch and safety switch mode
f) Dual button mode
g) Dual switch mode
Terminals | Wires | ||
|---|---|---|---|
I1, I2 | Load circuit input terminals | L | Live (110-240 V) wire |
O1, O2 | Load circuit output terminals | N | Neutral wire |
SW1, SW2 | Switch/button input terminals | ||
L | Live (110-240 V) terminal | ||
N | Neutral terminal |
|
|
LAN | Local Area Network RJ 45 connector |
|
|
...
Shelly Pro 2PM multilingual printed user and safety guide.pdf
Shelly Pro 2PM multilingual EU declaration of conformity 2025-07-30.pdf
Shelly Pro 2PM UK PSTI ACT Statement of compliance.pdf
Shelly PRO 1PM&2PM AU NZ certificate for Suitability.pdf
Compliance archive
Shelly Pro 2PM multilingual EU declaration of conformity 4-1 2022-08-15.pdf